丸興産業 時代とお客様に必要とされる企業を目指して

リサイクルプラント

リサイクルプラント

 

リサイクルプラント

コンクリートやアスファルトくずなどの産業廃棄物となってしまったものを、再度資源として再生するリサイクルプラントを完備しております。

 
 

産業廃棄物受入状況

回収した産業廃棄物を受け入れ、リサイクルすることで、新たな製品に生まれ変わります。

 
 

RC-40(再生ラン)
RC-40(再生ラン)

再生路盤改良材「RC-40(再生ラン)」を生産している状況です。

 
 

RC-40(再生ラン) 積み込み状況

生成されたRC-40(再生ラン)をダンプカーに積み込み、各方面へ配送します。

 

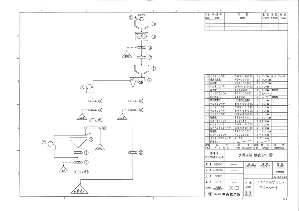
プラントフローシート

リサイクルプラント内部の工程を解説した、プラントフローシートです。

拡大図面はこちら

このページのトップへ